| Бренд | Velante |
Характеристики товара
Параметры | |
Производитель | Velante |
|---|---|
Вид ламп | Светодиодная |
Цоколь | LED |
Общая мощность, W | 22 |
Стиль | Современный |
Место в интерьере | Для гостиной |
Лампы в комплекте | Да |
Дополнительная информация | |
Пульт ДУ | Да |
Электрика | |
Напряжение | 220 |
|---|---|
Степень защиты (IP) | 20 |
Площадь освещения | 15 |
Тип управления | Пульт ДУ |
Цвет свечения | Холодный белый |
Цветовая температура | 6000 |
Внешний вид | |
Материал плафона/абажура | Акрил |
|---|---|
Цвет плафона/абажура | Белый |
Материал арматуры | Металл |
Цвет арматуры | Зеленый |
Направление абажуров/плафонов | В стороны |
Расположение | На стену |
Форма плафона | Круглый |
Количество плафонов/абажуров | 2 |
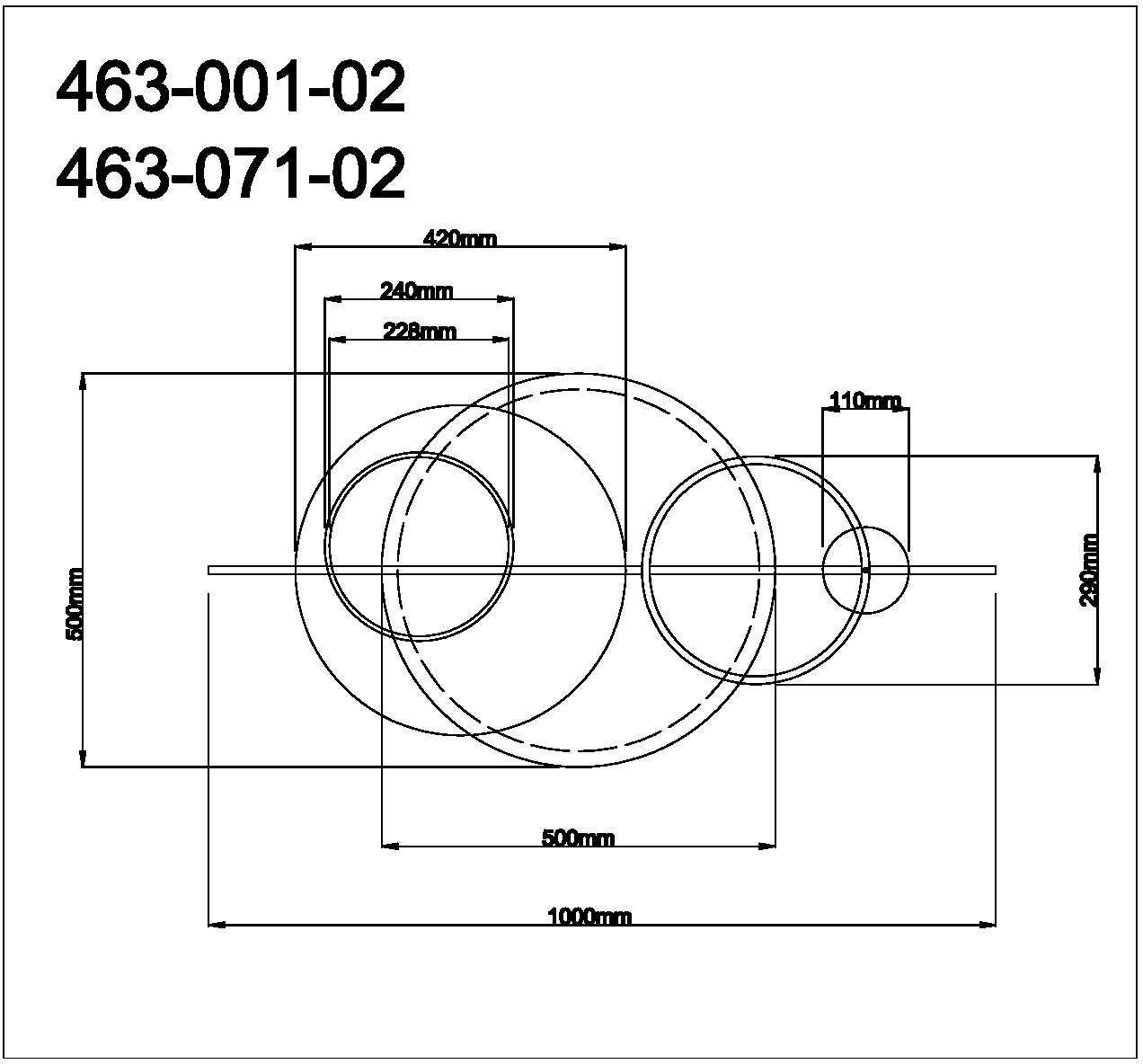
Размеры | |
Высота, мм | 500 |
Ширина, мм | 1000 |
Длина, мм | 55 |
Коробка вес гр | 4600 |
Коробка высота | 110 |
Коробка длина | 1090 |
Коробка ширина | 570 |
Аналоги
Товары этой категории
Ранее вы смотрели
Выберите хотя бы один размер!














































































































































































































































































































